十大网赌平台排行榜
网赌平台
政府信息
公开指南
政府信息
公开制度
法定主动公开内容
·
政府文件
·
机构概况
·
政策解读
·
提案建议办理
·
人事管理
·
规划计划
·
法规规章
·
网站工作年报
·
权责清单
重点领域
信息公开
·
财政资金信息
政府信息
公开年报
·
政府信息公开年报
申请公开
政府信息
索引号:
610300-11610300010805312T/2021-00011
发布机构:
网赌平台
发布日期:
2021-07-28 00:00:00
名 称:
网赌平台关于发布十大网赌平台排行榜2020年度固体废物污染环境防治信息的报告
有 效 性:
有效
文 号:
网赌平台关于发布十大网赌平台排行榜2020年度固体废物污染环境防治信息的报告
发布时间: 2021-07-28 13:04:51
附件下载
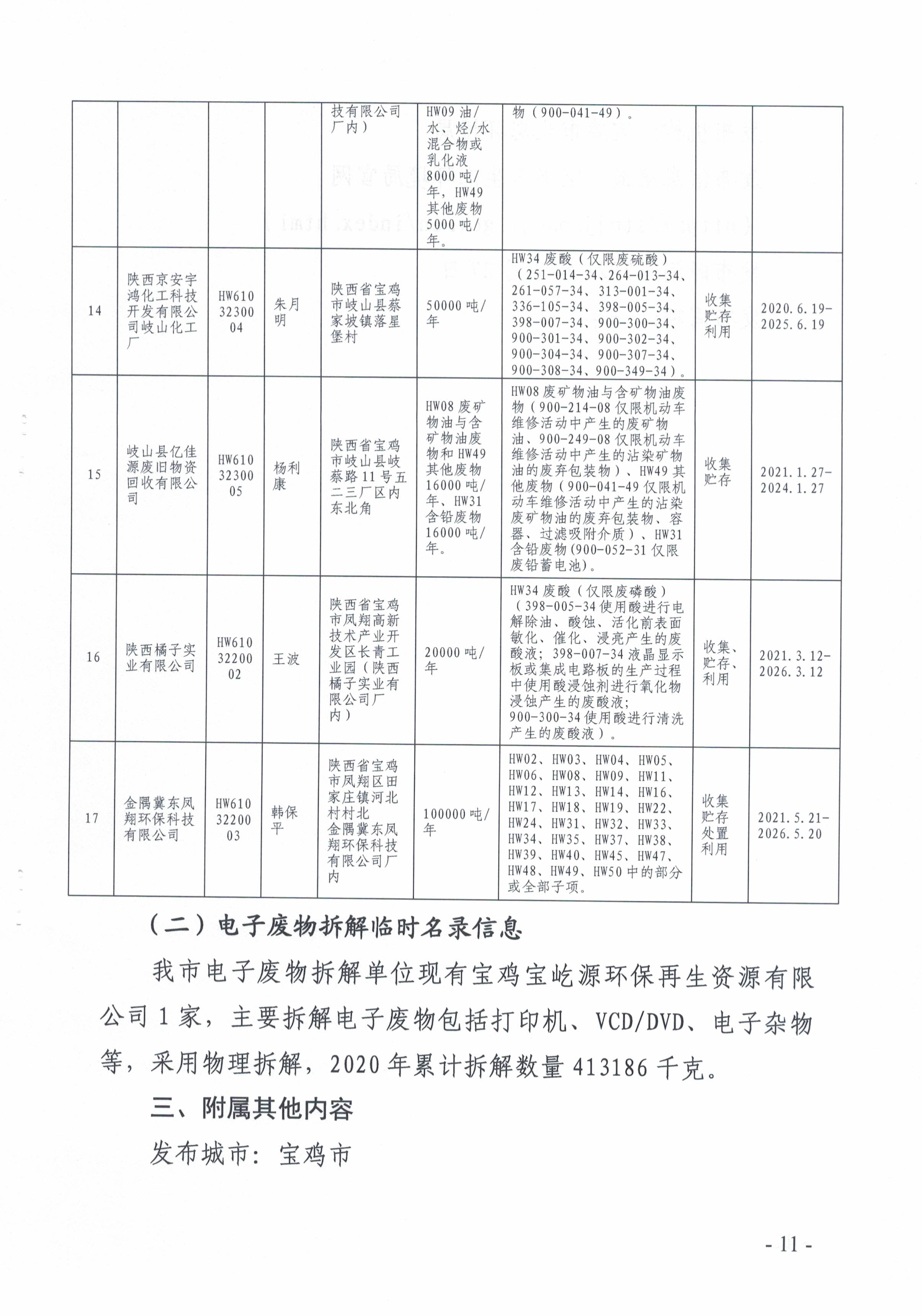
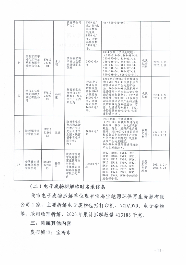
图片解读
视频解读
文字解读
主办:网赌平台
建议使用IE8.0以上版本浏览器
陕ICP备12009282号
网站标识码:6103000010
陕公网安备 61030302000261号
联系我们
网站地图
新浪微博
微信公众号
十大电子游艺app官网
十大网赌软件地址在线平台
十大赌博正规信誉应用
十大平台网赌开户注册
国际十大博彩娱乐注册开户